Перейти к содержанию
Opel Antara Клуб

gremih

Почетные Форумчане
  • Постов

    679
  • Зарегистрирован

  • Посещение

  • Победитель дней

    12

Весь контент gremih

  1. можно, если есть прибор, забыл как называется. Прожиг включается когда ЭБУ или что там еще, начинает думать что сажевый фильтр забит и повысилось сопротивление выхлопу. А т.к. в городе частые вкл/выкл движка то сажей забивается этот фильтр весьма активно. Как помню мне надо было проехать на трассе около 22-25 км со скоростью не ниже 80 км/ч что бы прожиг прошел полностью. А где в городе так покатаешься? Нигде. Вот и получается что прожиг почти постоянно на сотни км включен в городе. А жрет топливо при прожиге ну очень хорошо, У меня более 15 иногда и до 20 л бы расход, когда к городе включался. На трассе расход при прожиге как помню литра на 2-3 больше чем должен быть, т.е. не 7, а 10-11 л.
  2. тут сложно однозначно определить истину ибо за руль Антары исключительно жена теперь держится :). у нее около 11 в городе, за городом 6,5 -7.
  3. расхода масла за 1100 км пока не вижу
  4. вырезал сажевый более года назад ибо прожиг жрет под 15 и более литров, а в городских условиях прожиг весьма частый. сейчас облако сажи вылетает (а оно есть) только если 1) движок еще холодный, а я пытаюсь ускориться 2) при очень резком нажатии на газ 3) при наличии ошибок связанных с трансмиссией, двигателем типа U0121, U0140, U0144, P0700, C0561 и подобных. Но перепрошивка ЭБУ получилась корявая, и хотя ее как бы исправили приходится ездить с ор-сом и модулем вольтметра на торпеде, ибо (пока не понимаю и не могу найти из-за чего) исчезает временами возбуждение на гену. я стал заливать ZIC X9 5W-40
  5. имхо, отдельно не продается, это явно составная внутренняя часть. Это явно что то типа силумина, Попробуй сваркой для AL восстановить деталь. Схема замка есть в тИСе, обычный замок (как пример из ТИСа на рис для С105, D 2.0, 2009г)
  6. проверь сопротивление между корпусом авто и "минусом" акб, Должно быть менее 0.1 ом (чем меньше тем лучше), если больше делай доп. провод с "минуса" на корпус. также напругу на выходе гены и на + акб, разница между этим замерами должна быть очень незначительная (около 0.1В). где то была инфа про эти сопротивления и "узкие" места контактов. Возможно из-за этих "потерь" и не вращает бодро и разряд идет.
  7. проверьте напругу в момент загорания ошибки (можно ор-сом или вольтметром через прикуриватель и т.д.) снимите АКБ, отверните 4 болта крепления подставки АКБ, снимите конструкцию и осмотрите провода на предмет потертостей, по инфе от прошивальщиков часто различные ошибки возникают из-за повреждений в этом места если ор-сом в движении сбросить ошибку после ее появления, но не прекращать движения - ошибка появляется или нет, если появляется то сразу или через какое то время? еще какие-либо ошибки одновременно с С0040 появляются? если Да, то какие?
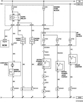
  8. эл.схема прикуривателя (CIGAR LIGHTER иногда (!?) бывает нужна :) и судя по схеме он напрямую подключен к цепи зажигания через предохранитель номер 33 "Цепь звукового сигнала, дополнительной розетки + прикуривателя"
  9. похоже отдельно не продаются. но т.к. в эти выходные как раз занимался задней ступицей и разбирал этот узел (в субботу, в воскресенью уже снял ступицу не трогая ручник), то эту резинку можно сделать и самому, если уж совсем .... Не стоит обращать внимание что она "фигурная". В нашем случае надо обеспечить защиту от грязи. Для этого можно делать из куска автопокрышки (не толстой). Вырезаем прямоугольник размером, что бы его прижимало метал уголком крепления (на фото выше как раз красная стрелка на нем), но при этом надо создать излишек резины внутри метал уголка, что бы резина как бы выпирало, это позволит резине не рваться при натягивании. Делаем небольшой разрез (не более 3 мм) в нашей резинке, заталкиваем туда крючок ручника. можно обмазать вокруг крючка еще и герметиком. Все защита от грязи готова. От воды это не спасет ибо сам тормозной щит не герметичен, да и не ставили создатели этого механизма защиту тормозных внутренностей от воды. А можно обезжирить существующий старую чехол и обмазать герметиком. "Колхоз" дело творческое. когда нет оригиналов :)
  10. Доп: если диск легкосплавный, то головка на 36 в центральное отверстие диска не влезет, снимаем этот диск. Достаем и устанавливаем запаску (она у большинства железная и там 36 влезает), далее по тексту.
  11. Есть тема по передние ступицы, будет и про задние. тем более есть незначительные отличия в демонтаже. Потребовалось сменить заднюю левую ступицу, начала гудеть после 60 км/ч, все больше и больше. Купил LYNX за 4500. Начало было простое, тем более уже сам менял переднюю. Если диск железный, то не поднимая авто домкратом, вставляем головку на 36 (в некоторых источниках указывают 34, но и на передних у меня стоит 36 и на задней старой и новой также 36 гайки) и откручиваем гайку ступицы (я ее сдернул и отвернул на 3-5 оборота). Поднимаем авто домкратом, снимаем колесо. Снимаем суппорт тормозной, я открутил только 2-е гайки на 15 и снял его целиком, предварительно разжав колодки, что бы было удобнее надевать потом. Т.к. в интернете встречал, что-то типа закрепите вал, я привезал его к корпусу авто, но это было излишнее. Снимаем тормозной диск. Перед нами внутренности забитые у кого как, у меня было грязью и ржавчиной. Т.к. ступица имеет внешнюю обойму подшипника выступающую примерно на 5-7 мм над основной поверхностью, а тормозной щит имеет выступающую окантовку вокруг посадочного места ступицы и соприкасается со ступицей только 4-я площадками вокруг болтов (выступают над основной поверхностью примерно на 0.5 мм), то вокруг ступицы и под ней создается пространство забиваемое грязью и ржавчиной, которая ну очень не хочет расставаться со старой ступицей :D: Тонкой проволокой очистил грязь вокруг ступицы с внешней стороны, заливал WD пока откручивал болты ступицы. Болты удерживающие ступицу утоплены в кулаке (крайне неудобно работать) , соответственно объем над болтом забит грязью. Чистим. 3 болта (головка на 13) можно открутить без особых хлопот, хотя и очень не удобно, мешает и пружина, и балка, и вал. Но можно. А вот нижний правый ... надо сначала выкрутить болт амортизатора, таким образом что бы он спрятался в свою гайку, тогда можно вставить головку. Потребуется несколько разных удлинителей, что бы выкрутить этот болт ибо весьма неудачно расположен. Но.... все побеждаемо. Болты откручены. Ступица висит на валу и своей гайке. Открутил гайку. Легкий удар по валу (не надо лупить ибо другой конец вала в редукторе и на сальнике) и вал вышел из ступицы. Отключаем разьем АБС Удар сзади по тормозному диску ничего не дал. Удар по ступице со стороны авто.... отделил щит и ступицу на нем от кулака. Щит со ступице повиснет на ручнике. Можно отсоединить трос ручника от щита. это не сложно, 3 гайки, плоскогубцы, ваша сила и воля... но не надо. Хотя и будет как бы удобнее работать. Я положил под щит со ступицей пару брусков,что бы трос не натягивался и я мог работать нормально. Очистил от грязи и залил внутреннюю сторону щита вокруг ступицы WD. Тормозной механизм ручника и его колодки я не трогал, за исключением освободил от шпильки колодку над датчиков АБС и отодвинул ее от щита, иначе ступица будет на нем висеть когда оторвется. Далее вашим другом становится кувалда. Держим щит в одной руке, а кувалдой бьем по внешней обоймы подшипника, периодически подливая WD и снова бьем. В конце концов ступица вывалилась. Чистим щит и посадочное место от грязи, ржавчины и т.д. Далее в обратном порядке все собираем, сложностей нет уже. Также решил набить смазку в другие ступицы через отверстие для датчика АБС. ранее так делал, но тут усовершенствовал механизм подачи смазки в ступицу :D: . Если раньше я набивал просто через шприц, а потом продавливал смазку или датчиком или сверлом на 9, то в этот раз собрал из алюм трубки (диам=10 мм) резинового шланга и шприца весьма эффективный прибор. Надо обязательно сделать скос на конец трубки. т.к отверстие датчика имеет внутри диаметр меньше 10 мм и при в моменты выдавливания смазки прокручивать колесо (ступиц).
  12. накрылась левая задняя ступица. начал снимать и столкнулся с проблемой что старая ступица не отсоединяется от тормозного щита. На скрине видно что никаких препятствий или доп креплений нет. Т.е. щит должен свободно отойти от поз 44 и поз 49. Да, от 44 отсоединился без проблем. А вот ступицу не выбить из щита. Понимаю, что прикипела сильно, очень сильно. В ТИС написано все просто, открутить 4 болта сзади (кстати они утоплены и нужна головка на 13 удлиненая) и будет счастье. (Фиг, а не счастья будет :evil: , 4 часа сека и 0 результат. Собрал обратно пока.) А стоит этот щит больше 4000 руб, как то жалко из-за ржавщины столько тратить. Какие варианты могут быть по разъединению?
  13. после выреза СФ при нажатии на газ в момент ускорения облако черного дыма, как трактор почти :D: :mad: видимо при создании дизеля (в частности 2.0) инженеры не учитывали что кто-то будет ездить без СФ. Если нет резкого нажатия на газ то и дыма нет.
  14. и ответ: не подходят, в первую очередь из-за конической формы, в этом случае первая гайка сядет нормально, а остальные уже будут "боком" натягиваться, соответственно появится биение колеса. Внимание: на авито очень много обьявлений, где указано 115 для дисков других авто, а на самом там 114.3, это к Нисан, Тойота, Мазда и т.д. Проверяйте факт посадочные значения дисков
  15. Вопрос: у нас диски имеют размер 5 х 115. А подойдут нам диски с размером 5 х 114.3? вроде как на 0.7 мм ближе к центру сдвинуты отверстия, но болты у нас в отверстиях не плотно"натягиваются", когда одеваешь колесо, т.е. как бы есть люфт и он явно больше 0.7 мм.
  16. Дело было весной-летом (т.е. +10 и более на улице), не знаю будет ли точно так все это у кого-нибудь и зимой. Датчик (ДПРВ) умирал тихо, медленно, можно сказать- сидел в засаде, временами выпрыгивая оттуда, из-за этого ошибку не удавалось считать достаточно долго. :angry32: начальные симптомы- "биение" работы двигателя на ХХ сразу после запуска, т.е. обороты "плавают" +/- 25 в положении Р (!!! ибо в D или R при нажатом тормозе все ОК), после прогрева все нормально становится. А т.к, такое (биение) возможно из-за множества событий и причин, то привыкаешь, ну плавает, так чуть-чуть, даже авто не трясет :unknw: и больше ничего не проявляется. Затем (через какое-то время месяц, другой, третий, по разному возможно, а может и не быть вообще, может ДПРВ сразу умрет, вылезет ошибка и ....) начинает появляться (пока редко, раз в неделю или в две) "тупость" при нажатии на педаль газа, как бы не ускоряется авто секунд 2-4, потом нормальное ускорение. А также авто начинает отказываться заводится при горячем двигателе сразу (стартер крутит, есть одно схватывание и движок глохнет ), т.е надо 2-3 раза делать попытки завода и потом авто заводится. На холодном движке все ОК, заводится сразу. А потом "тупость" газа становится все чаще и чаще. И в очередной раз, в момент" тупости" газа пропадает сигнал возбуждения на гену! И загорается "бочонок". Вот тут не знаю, будет ли так у всех или это у "особо приближенных" :D: Но у меня (как я писал ранее в теме о езде с разряженным АКБ, что гена перестал работать) именно такая связь этого датчика, ЭБУ и гены проявилась. Прошивальщики ЭБУ (консультировался у них) оказались не в курсе о таких "завязках" в ЭБУ, Однако я считаю ( и замена ДПРВ это подтвердила), что так может происходить при определенных условиях, когда ДПРВ начинает выдавать сигнал с "определенными" отклонениями, которые "заставляют" ЭБУ отключать сигнал возбуждения на гену, что и проводит к такой дикой ситуации. И так в очередной раз (а произошло это очень скоро), когда это произошло ("тупость" газа, "бочонок" и снижение напруги в бортовой сети), у меня был ор-сом. Удалось увидеть 3 основные ошибки P0340-28, U0401-00, P0562-00 (были еще много ошибок в разделе кузов. но они сбросились сразу). Из этих 3-х сбросить удалось только P0340, "бочонок" погас, но через сек 20 загорелся и ошибка появилась снова. Потом ее можно снова стереть, раза 2-3, и она не появляется, но!!! и гена не выдает напруги. Запустить гену удалось "прикуриванием" от другого авто, пошла напруга и зарядка. Однако, когда движок выключил (на заправке), завести его оказалось очень тяжело, только с 7-й попытки в положении "N" удалось. А когда все таки завел, гена опять не работал. Но я был уже почти около дома. Доехал, вечерело, пошел спать. Утро вечера мудренее! :D: Ошибка P0340 указала на конкретный элемент движка, с которым возможно проблема. При демонтаже, на неисправном датчике выше магнита (торец датчика) была явно видна с внутренней стороны (в нагретом виде пластик/оболочка датчика был типа более прозрачен) полоска как при согревшем сопротивлении или взорвавшемся кондёре - типа напыления. Когда датчик остыл, полоска осталась видна, но надо было уже присматриваться, типа оболочка датчика потемнела. Купил б/у. ибо новая деталька размером 5 см и состоящая магнита и платки типа датчика Холла стоит от 4500, б/у обошлась в 1500 р. На "новом" б/у датчике такой полоски не было видно. Заменил. Поехал. Все указанные симптомы исчезли, сьездил за город, в т.ч по ЗСД (платная скоростная дорога) со скорость 130 км/ч, очень хорошо прогрел движок. Остановился после сьезда с ЗСД, через 2 минуты (типа турбина остынет) выключил движок и через минуту-другую вкл, Завелся без проблем. Гена выдает напругу до 14.4. Проблема существовала около 4-х мес, последние дни "активизировалась", поэтому и удалось ее найти. Что произойдет при "мгновенном" выходе из строя ДПРВ??? вроде (как читал) не приводит к остановке двигателя, но появляется сильная "тупость" газа. Ниже схема проверки ДПРВ.
  17. после выреза сажевого и заглушки ЕГР заливаю ZIG Х9 5W-40 или Х7 10W-40, в зависимости от сезона (вот нравится мне так сезонами менять). Чернеет, т.е. смыв гари происходит. Не угорает, правда и двигатель не кушает. Когда был сажевый фильтр лил WOLF OfficialTech 5W-30 со спецификацией GM Dexos 2 (типа для сажевых), чернело быстрее чем ZIG.
  18. как я написал выше, скорее всего сигнал возбуждения с ЭБУ перестал поступать на генератор, соответственно и генератор прекратил выработку тока. У меня стоит специфическая прошивка, как я ранее (пол года назад примерно) писал, что в начале после удаления сажевого фильтра и заглушки ЕГР по ошибке мне прошили ЭБУ от 2.2.D, а там тип сигнала возбуждения другой. Длительное время "бодался" с генератором и прошивальщиком, в результате "прошивальщик" удалил установленную им прошивку и вырезал из моей стандартной прошивки сажевый фильтр (удален) и ЕГР (заглушен) и как бы все заработало, возбуждение пошло, АКБ стал заряжаться нормально, но видимо какие-то связи были не так затронуты в прошивке и при возникновении каких-то сбоев... пришла и эта проблема. Не знаю точно, это мое предположение, но 100% гена прекратил выработку тока и зарядку АКБ после проблем на ЗСД. А так, Да, на дизеле можно долго с одним АКБ ехать, у меня получилось 120 км с кондиционером, ближним светом и радио. Бензин такое удовольствие не позволит. :D:
  19. НА ЗСД (платная скоростная магистраль в СПб) педаль газа не стала реагировать на плавное нажатие. Принадавил на нее сильно. В ответ загорелась вся гирлянда и авто с ключиком и бочонок и АВС ... Но авто ехало, остановиться смог только через несколько км. Выкл двиг. Завел, осталась гореть только авто с ключиком. Прибора собой не было, поэтому... поехал дальше. Через 120 км доехал, поставил на Р и тут опять все загорелось. Но я ведь уже приехал :D: . Выкл двигатель и ушел. Через пару часов вернулся и завел. Гирлянда горела. Сброс клеммы АКБ, не помогло. Горели авто с ключиком, "бочонок", падающая авто, вроде все. Попытки еще раз откл АКб результата не дали. Но авто двинулось с места и поехало... метро 100, не более. Погасло все... вообще, но двигатель работал и авто медленно ехало. Оставился, выкл двигатель и ... больше он не завелся. Ключ вынул, вставил, дисплей загорелся и все потухло как только повернул зажигание. Стартер не двинулся. .... Авто очень надо было запустить. т..к через 5 часов надо обязательно отвезти человека из города на границу с Эстонией. Место остановки- проселочная дорога при садоводстве в глубинке Лен.обл, никаких автомагазинов ближе 10-15 км нет. Напрягся прилично... Нашел в бардачке преобразователь 12В-5В USB с индикацией напруги, вставил в прикуриватель и .... напруга = 10.5 (потом показало и 9,7 В). Т.е. гена не заряжал АКБ, я ехал (имхо от ЗСД???!!!) на одном АКБ и вот результат. Были с собой провода- "прикуриватели". Удалось через какое-то время остановить простое русское авто Жигуль! (до этого все проезжающие авто были импортные и народ как только слышал про прикуривание тут же уезжал :sleep2: . Молодые парни, безбашенные ибо... перепутали провода и + на - замкнули. Раздался бах с искрами :D: Не новый год конечно, но дернулись все - и они и я :D: Но авто были выключены, ключи вынуты из замков и все обошлось :yahoo: Завели мой авто, остался гореть только "бочонок" справа на дисплее, напруга 12.9. Поехал, постепенно напруга поднималась, т.е. гена работал и заряжал АКБ. Добрался до дома, подключил ор-сом. Ошибки следующие - двигатель P0340-28, U0121-71 (2 раза) P0700-00, P0299-00, АКПП P0562-00 и еще что-то в т.ч. в кузове, трансмиссии и т.д. ор-сом сбросил все ошибки за искл P0562-00 (низкое напряжение) из-за которого горел "вертолет". Оно пропало через какое время само. Выводы: 1) по какой то причине событие на ЗСД отключило подачу возбуждающей напруги на гену, из=за этого гена не стал заряжать АКБ. 2) вероятнее всего, что именно "бах" из-за ошибки подключения 2-х АКБ сбросило ошибку откл возбуждающего сигнала от ЭБУ (ибо если бы этот сигнал появился после начала движения после длительной остановки, авто поехало бы и так заряжая АКБ). 3) повезло, что все закончилось хорошо. Придется возить ор-сом+ноут с собой каждый раз выезжая из города.
  20. нет его, не отключить так что бы остальные работали и можно было проверку эту сделать. Вы 100% как я ищете, где собака зарыта. Один в один. я даже ездил к спецам, считывали контрольную сумму именно ВСМ, то что меня залито и то что должно быть.
  21. там две технологии отработаны более менее- солнышко и его лучики (ну там ведь нет облаков и затемнений) и атом. Но атом в ширпотребовское авто это весьма круто будет, а солнышко на земле пока не ах имеет какой кпд. Остальные технологии даже для космоса не "отполированы".
  22. "Я на ночь ставлю заряженный АКБ и через 2 дня уже не заведу." - т.е. 2-а дня вы не используете для поездок авто? Скорее всего используете.... или я неправильно понял(?) по ссылке выше написано, что четко определить разряд это или недозаряд я смог только с помощью ареометра ибо поставив полностью заряженный акб я каждый раз утром перед поездкой и вечером при возвращении домой снимал его показания и выяснилось, что плотность электролита акб вечером после поездки или фактически оставалась как утром или даже чуть ниже, и каждое утро плотность после ночи чуть падала т.к. конечно был разряд на центр замок, магнитолу и т.д. Т.к. образом примерно за 3-5 суток эксплуатации полностью заряженный акб с плотностью электролита 1.27 превращался в трупик с напругой 10.7 и плотностью 1.18 (или быстрее/ниже зависит от окружающей температуры) в первую очередь из-за недозаряда.
  23. Guliverдалее ссылка на весь мой процесс поиска недозаряда/разряда и комменты друзей http://vse-4x4.ru/index.php?topic=174430.0 почитайте, а вдруг....
  24. вы проверяли п.1. и п.2 ? "Но если сбросить клему и одеть заново то разряд не идёт пока не включить зажигание или не зажжётся свет в салоне. Я описывал проблему вначале" это при не работающем двигателе! а при работающем что, какой ток заряда на ХХ. также у вас похоже частичное противоречие "с геной порядок, но разряд от нагрузки", ибо гена у нас кажется на 120А, у вас что нагрузка появляется более 120А при движении? Скорее у вас недозаряд, как и у меня было, хотя я считал в начале именно как вы- разряд большой. выполненные более 15 раз подобные действия на Антаре не привели к фатальным последствиям. Однако соглашусь с вами, что сначала запараллелить АКБ и тестер, а потом снять клемму более безопасно. :)
  25. Основные замеры можно сделать и самому (п.1-п.3 ниже). Считаем что замер тока в покое вы сделали и ток покоя у вас не более 0.05А. 1) на выкл. двигателе снять клемму "минус АКБ", тестером замерить сопротивление между "минус АКБ" и корпусом двигателя (лучше генератора), должно быть не более 0.07-0,09 ом. Если больше это плохо, означает что идут потери тока и АКБ может не дозаряжаться. 2) надеть клемму "минус АКБ", завести двигатель, тестером замерить напряжение на клеммах АКБ, должно быть не менее 13.5-13.7 на ХХ, с увеличением оборотов показания напряжения должны расти, но если АКБ заряжен на 100%, то при увеличении оборотов напруга может быть не более 13.7-13.9В. 3) Данный пункт делать лучше вдвоем!. При работающем двигателе на ХХ (!!!) при отключенных световых и иных приборах снять клемму "минус АКБ" (аккуратно). Двигатель должен продолжить работу, если глохнет значит гена не работает или очень большие потери тока есть. В разрыв включить тестер в режиме замер тока не менее 10А, снять показания тестера (они могут быть различны, но не должны быть равны 0). Включить световые приборы, ток должен увеличиться. Все это на ХХ. 4) ( Более сложный пункт. если в п.2 или п.3. не происходит изменение напруги/тока при нагрузке или ток близок к 0). Выключить двигатель, добраться до диодного моста на гене. произвести замер сопротивления диодов.

×
×
  • Создать...