Перейти к содержанию
Opel Antara Клуб

gremih

Почетные Форумчане
  • Постов

    679
  • Зарегистрирован

  • Посещение

  • Победитель дней

    12

Весь контент gremih

  1. Вух вух, ну может быть и так послышаться. Хотя мне это больше напоминало звук бультыхания типа Бух бух. Слышаться где то сзади, почти под сиденьем водилы, но четко сзади и чуть правее, т.к. водила левой стороной ближе к двери, т.е. там звук глушиться. Короче, в этом году в горах Кавказа когда ехал на плато Бермамыт через медовые водопады по дороге с "каменным триалом" (условно, но похоже :) ) несколько раз, пытаясь выехать из жопы очередной, слышал похожий звук. Так вот, у меня это в муфте Халдекс от нагрузки срабатывал какой-то клапан (по высокому или низкому давлению) и перепускал жижу, при этом задний привод отказывался работать, приходилось сдвигаться вперед, т.е. менять момент на заднею ось. так что может у вас эта муфта (точнее ее управление) подключается не вовремя и перепускает жижу, ибо на сухом асфальте передача большого момента через муфту может привести к подобной ситуации.
  2. стоит, так и клапан исправен. а вот при неисправном клапане мой маслоуловитель не долго будет сопротивляться, обьем маленький у него :) (общий обьем 200-250 мл, а активной части всего 100 мл макс)
  3. решил сегодня почистить маслоуловитель после 0,5 года езды. Масло не так много, примерно 30 куб.мм выхлоп с грязного маслоуловителя на фото (примерно пару минут работы на 2000 об/мин) сам клапан работает, проверить можно не снимая - на выход клапана одеваем шланг, создаем разряжение ртом используя тряпку или салфетку (типа турбина засасывет) и клапан должен закрыться, нет выхода картерных газов. т.е. если у нас попробовать сделать выпуск с этого клапан без подключения отвода к турбине ( а это как раз как результат на фото) то клапан будет постоянно открытым и картерные газы "самотеком" будут выходить. Однако случай порванной мембраны гораздо хуже, ибо картерные газы будут постоянно засасываться в турбину и впускной коллектор, что значительно ускорит расход масла и загрязнение движка. также проверил состояние датчика давления на впускном коллекторе, нет никакого налета в виде сажи, при смыве наблюдается загрязнение очистителя. (использовал очиститель карбюратора)
  4. Нормально вынимается датчик, ну или почти нормально :D: , см.фото надо отодвинуть в сторону колодки ручника (вынув конечно шпильку) и датчик можно вынуть
  5. gremih

    Турбина

    Сегодня из-за подтеков масла на коробке снизу разобрал патрубки наверху движка и добрался до холодной части турбины. Грешил что масло гонит картридж турбины, но ... оказалось что ослабли болты прокладки трубки маслоотвода+ скорее всего она лопнувшая. Один болт (ближний к двигателю) удалось подтянуть сверху, а вот второй...только снизу добраться можно, не стал пока этим заниматься. Никаких люфтов нет, сама турбина сухая - определил и сделал фото с помощью камеры. закажу прокладку (96440373, ~70 руб) и тогда снизу все сделаю.
  6. не факт что это сальник. у меня такие же следы масла из-за....лопнушей прокладки трубки отвода масла от турбины. Сегодня добрался до этой части и убедился в этом, к сожалению прокладку надо заказать, а пока подтянул 1 болт, до второго только снизу добраться можно.
  7. штатный домкрат- это фактически для аварийной ситуации, ну раз в год использую (даже реже). А так в гараже, подкатник гидравлический. его конечно с собой не возьмешь, но для ежедневного :) пользования он в самый раз. ставить подкатник с деревяшкой можно практически куда хочешь- на рычаги, на опору нижнию, на редуктор и т.д. тут важно правильно деревяшечку приставить :)
  8. для редуктора не обязательно искать "толкового опель-мастера". редуктор - штука эта железная, "грубая", тут больше спецы по механики/трансмиссии типа salova70.ru и других подобных подойдут.
  9. не знаю, самое простое - ввести этот PID в Torque и увидеть результат. Т.к. у меня нет этих датчиков - то...проверить не могу.
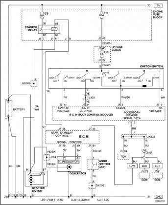
  10. Не вводите людей в заблуждение. ЭБУ не даст ему крутится без неработающего двигателя Хотя если вы считаете что кручение руля с большим усилием является нормой, то да он крутится :) не знаю как на всех авто с ЭУР, но на Фиат Гранд Пунто (дорейстаил) включаешь зажигание (двс выключен) и руль легко крутиться.
  11. нашел на просторах ин-та для Опеля PID по шинам сам проверить не могу, т.к. нет датчиков в колесах. но возможно кому-либо будет интересно: TPMS Tire Pressure (давление в шинах) PID: 22C901 Formula for wheel 1 for psi = ((A*1373/1000) * 0.145037738) Formula for wheel 2 for psi = ((B*1373/1000) * 0.145037738) TPMS Tire Temp (температура в шинах) PID: 22C902 Formula for wheel 1 for degrees F = (9/5*(A-40))+32 Formula for wheel 2 for degrees F = (9/5*(B-40))+32
  12. gremih

    Турбина

    В дополнение к данным по нашей турбине: к ней есть картриджи от нескольких производителей : EVB TURBO 762463-0002E JRONE 1000-010-319 (на момент публикации цена от 7000 руб) Melett 1102-015-952
  13. чудеса бывают в нашей жизни: упал с 7 км без парашюта, попал в стог сена, а там доярка ...))) но второй раз сомнительно,что там будет доярка.... скорее всего ее муж может оказаться )))
  14. можно ТОЛЬКО в положении коробки N (нейтраль) при этом рекомендуют что бы скорость была не более 50 км/ч.
  15. убрав датчик с одного колеса вы отключили всю АБС. вернув обратно- АБС начала работать, появился шум- температуру колеса (тормозной диск) со стороны шума замеряли? а не "подпирают ли" его колодки ? (в вашем случае из=за какой то неисправности АБС)
  16. " .......Одна крутиться легко, другая - нет. Поэтому редуктор начинает "сходить с ума". ........ сильно сомневаюсь в этом. у меня весной одно переднее колесо было "подперто" колодками очень сильно, нагрев раза в 2 больше чем другое, и рукой не крутилось нормально. Примерно месяц боролся, так что "статистика" есть :) Но это никак не влияло на редуктор, ни шума ни гула от этого не было.
  17. если это вой высокой тональности, почти как свист - ремень гены растянулся или натяжной подшипник ремня если это гул(!?) - то возможно ступица если это гул с вибрацией спины водилы -то опорный подшипник кардана
  18. все дело в уровне падения напруги, сразу при выкл движке и вынутом ключе-все ОК, а когда постепенно снижается напруга и ключ в замке- это некий "аварийный" режим с последствиями
  19. ELM не все ошибки видит и не все дает сбросить. нужен не Торк.
  20. проблемы кардана и в т.ч. его подшипник дают вибрацию. Если вибрации в пределах 30-60 км нет (а она хорошо чувствуется правым локтем на бардачке и спиной) то скорее всего шум от ступицы. она в 90% дает эффект гула на Антаре.
  21. ВСМ стоит в центральной консоле, под магнитолой, где то есть описания как до него добраться.
  22. в ТИСе есть схема пуска, и идет сигнал через 2-а электронных блока: сигнал с замка идет на ВСМ, с него на ЭБУ, затем на реле и потом на стартер. Поэтому сначала проверка сигнал на выходе ВСМ/ входе ЭБУ (куда быстрее доберетесь) а там уже дорога ваша зависит от наличия/отсутствия сигнала в этой точке.
  23. опробовал PID на подключение (%) задней муфты, Т лямбды, указатель передачи АКПП. однако ни найденные в ин-те, ни собственно модифицированные пока не заработали. но появилось понимание куда "копать". Бум "копать" )
  24. я макс пока видел 37 psi , это 2.5. бар, может и больше бывает, но в городе пока только такое видел (Торк)
  25. Т.к. по какой то причине Car Scaner у меня не стал показывать Т АКПП пришлось найти решение для Torque. Делаем показания температуры жижы АКПП: пуск Торк нажимаем "шестеренку" слева внизу видим и выбираем "Настройки" в списке находим Управление дополнительными PID, нажимаем новый экран, нажимаем 3 точки вверху справа нажимаем Добавить пользовательский PID нажимаем ОК Далее вводим построчно ( строка - что ввести) OBD2 Mode - 221940 Полное имя - Температура АКПП Короткое имя - Т акпп мин значение - 0 макс значение - 200 (можно указать и 150 или другое) множитель шкалы - х1 Ед измерения - С (или гр) Формула - A-40 (А в латинском шрифте!!!) Заголовок OBD - 7E2 (Е в латинском шрифте!!!) --далее строки не заполняем до конца-- (или можно выбрать Запомнить данные функции - сохранить в профиле ) нажать ОК внизу страницы ну а далее по стандартной схеме выводим на экран Торк нужный прибор с эти данными И ура, у вас теперь есть возможность вывести на экран Т жижы АКПП

×
×
  • Создать...