-
Постов
949 -
Зарегистрирован
-
Посещение
-
Победитель дней
37
Тип контента
Профили
Форумы
События
Галерея
Весь контент GREEN
-
2010 г.в., как и написал в начале первого сообщения. И, да, напомню, Опель Антара. ) 3.2, тоже есть в первом сообщении. Блин, ну так старался дать исчерпывающие исходные данные когда начал тему! ))))
- 52 ответа
-
- антара 3.2
- не заводится
-
(и ещё 5 )
C тегом:
-
как его купить, какой номер для заказа?
- 52 ответа
-
- антара 3.2
- не заводится
-
(и ещё 5 )
C тегом:
-
Еще вопрос, парни, встречалось кому - н. нормальное видео или фото отчет по снятию стартера с наших Антар Каптив 3.2? Понятно что есть ТИС, но наверняка есть нюансы куда и чем подлезть к неудобным болтам...
- 52 ответа
-
- антара 3.2
- не заводится
-
(и ещё 5 )
C тегом:
-
Да можно, и паяльник мощный есть, но этот мерзкий флюс который потом жрет кабель под изоляцией...
- 52 ответа
-
- 1
-
-
- антара 3.2
- не заводится
-
(и ещё 5 )
C тегом:
-
Ок, информации отсюда и с ТИС уже куча, покопаюсь сегодня - завтра, а начну пожалуй с замены клемм АКБ и замены обоих проводов массы от АКБ, давно хотел усилить провод на кузов, музыки полно в машине, суммарно 1200 вт RMS на трех усилках ) Если еще какие мысли у кого, пишите, беру во внимание любые мнения. Хорошо бы Антара теперь НЕ заводилась пока во дворе, а то в июне Антарку ждет Крымский мост. ) Кстати, парни, а не встречалась ли кому приспособа для обжима толстого кабеля в клемме? Не дорогущая приспособа с ручками, а 6-гранная рабочая часть по тиски?
- 52 ответа
-
- антара 3.2
- не заводится
-
(и ещё 5 )
C тегом:
-
Спс, так и увидел, но уточнить не лишне. ) А стартер по какому короткому пути берет массу, с кузова или с блока? Куда его провод присоединен?
- 52 ответа
-
- антара 3.2
- не заводится
-
(и ещё 5 )
C тегом:
-
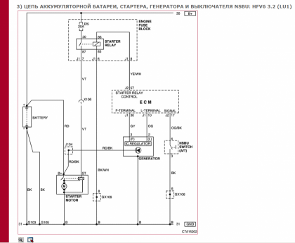
Ага, вот оно что ), даже не знаю хорошо это для поиска проблемы или плохо ))) Нарыл схемку в ТИСе, начну с замыкания контактов реле в панели предохранителей. Судя по схеме стартер должен начать маслать даже при выкл зажигании. Не начнет, проверю разъем X106, потом попробую попробую продублировать напрямую минус, потом плюс с АКБ.
- 52 ответа
-
- антара 3.2
- не заводится
-
(и ещё 5 )
C тегом:
-
Интересно, спасибо, понял.
- 52 ответа
-
- антара 3.2
- не заводится
-
(и ещё 5 )
C тегом:
-
А есть смысл? Я ведь вижу что нет падения на АКБ после щелчка. Если силовой привод на стартер подключается, на АКБ падение приличное... Впрочем, если только для диагностики погоревших / залитых обмоток стартера?...
- 52 ответа
-
- антара 3.2
- не заводится
-
(и ещё 5 )
C тегом:
-
ЕЛМ по крайней мере ошибок не видит. Сигнализаций на панели приборов тоже никаких нет. Больше всего интересно что громкий щелчок (как бендикс или какое-то силовое реле) есть, а привода на обмотки стартера (судя по отсутствию падения напряжения) нет. Посему подождем ответа сведущих на мои вопросы. А так не задумываясь можно и к ОД съездить, они мне все по очереди поменяют, от ЭБУ до заднего редуктора. )) Помню лет так 25 назад заехал на периодически глохнущей 12-горшковой БМВ к ОД на Зорге в Москве, типа у них самый крутой моторист и ваще все круто, они мне шлангов на 2,5 килобаксов поменяли, а тополиный пух в воздушном фильтре я потом сам нашел )))) К ОД нужно ехать с конкретной задачей замены узла, за диагностикой к этим безголовым разводилам нужно ехать через нотариуса, заранее переоформив на них квартиру. )))
- 52 ответа
-
- антара 3.2
- не заводится
-
(и ещё 5 )
C тегом:
-
спс, по сему и спрашиваю куда идут два минуса от АКБ, проследить их сложновато. )
- 52 ответа
-
- антара 3.2
- не заводится
-
(и ещё 5 )
C тегом:
-
Всем привет. Проблема - не каждый раз заводится авто. Появилось вчера. Антара 3.2 пробег 80т.км 2010г.в. Космо премиум с автоматом. Установлена хорошая муз. система (три усилителя), плюс толстым проводом с клеммы аккумулятора, минус с кузова рядом с каждым усилителем. С музыкой проблем нет. Отсоединение питания муз от АБ никак не влияет на проблему. ЕЛМ не видит ошибок. Появилось вдруг при следующих обстоятельствах: - сам заменил цепи ГРМ, результат ожидаемый, хороший, но соотв. отсоединял клеммы верхней косы, все потом собрал на место, все заводилось, без ошибок, идеально. - начал промывать систему охлаждения двойным лавром (кислота потом щелочь), затем 5 раз водой (думаю понятно почему не 1 как в инструкции). Вот собственно на этапе щелочи приключилось. Побдробно: Залил второй флакон лаврушки, запуск двигателя, контроль температуры через ELM, температура за минуту вырастает с 60 до 90 град, понимаю что воздушная пробка (забыл блин выгнать), глушу авто (уверен перегрева двс с водой в системе за минуту не приключилось, 90-93 гр продержалось несколько сек), снимаю крышку расш бачка, выброс жидкости грамм 300, закрываю крышку. Выжимаю воздух патрубком, доливаю воду, и ... хрена, не заводится. Жуткие тут же мысли всякие. ))) При этом аккумулятор заряжен до 12,2в, при вкл зажигания лампочки теста ведут себя правильно, елм не видит ошибок, поворачиваем ключ дальше- сочный привычный щелчок (я не знаю это звук бендикса стартера или какого-то мощного реле, спрошу у вас позже), гаснут все лампочки на табло, БК светится, напряжение НЕ падает, стартер не вращается. Делаю вывод - аккумулятор заряжен и цел. Решил переспать с жуткими мыслями. ) Утром прикуриваю вторым аккумулятором через (хорошие) провода - результат ноль, как будто помощник в цепи не появился. Снимаю с антары его АКБ 75а/ч, ставлю АКБ 50а/ч с авто жены, при этом провод минус натянут, т.к. АКБ с обратной полярностью. Заводится без проблем! Завершаю оставшиеся 6 этапов промывки а АКБ жены, т.е. 6 раз авто заводится БЕЗ проблем, отдаю АКБ жене, приговариваю свой, покупаю новый 75а/ч, и, хренушки )))) не заводится, ведет себя так же как на старом! ))) Нужны идеи, искать причину буду сам. Предполагаемые шаги ,наверное 1. замена анатровских идиотских клемм на хорошие? 2 проверка силовых проводов от АКБ и их контактов? 3. ??? (посоветуйте) Вопросы 1. Куда идут два толстых красных (+) и два толстых черных (-) провода от АКБ? Догадки есть, но знать бы точно, проследить сложно, они ныряют то в косы то вглубь подкапотного пространства. 2. Что громко щелкает при запуске стартера? Есть реле в блоке предохранителей, но вряд ли его слышно. Есть бендикс, он д.б. громким, он замыкает подачу силового питания на стартер? Плюс или минус? Что еще громко щелкает, есть еще какое-то мощное реле в цепи? Сорри за много букв, выложил максимально все нюансы. Да, сейчас Антара все-таки заводится один раз из 10. Когда не заводится, громкий щелчок есть, панель гаснет, БК нет, напряжение не падает, как будто не подключается силовая подача на стартер.
- 52 ответа
-
- антара 3.2
- не заводится
-
(и ещё 5 )
C тегом:
-
Во, хорошая тема. ) Пару лет назад решил в целях профилактики заменить антифриз, весь такой умный и экономный залил Синтек G12, самое то ведь! За пол-года он сожрал мне основной радиатор, начало течь с места спайки алюминия с пластмассой. Возможно конечно Синтек не виноват, просто так совпало по времени, но с тех пор никаких нахСНГ, только GM.
-
Комплект GM 12651450 подойдет, но там нет шестерен, а нижнюю поменять желательно, у неё малая длина зацепа с цепью и даже небольшой износ зубьев чреват проскоком (один проскок машина скорректирует с выбросом ошибок, а дальше встреча поршней с клапанами и капиталка) . Иван ХВК-сервис (по несколько Антар в неделю цепи меняет, думаю можно верить) как то отписывался не лестно об этом наборе. Да и фейка полно в РФ стало. Вот здесь есть отправка Cloyes в РФ. https://www.amazon.com/Cloyes-9-0753S-Timing-Kit/dp/B008PI79A8 Сальник коленвала только докупите и пару герметиков, какие я выше писал. Работы строго по ТИС-у и с динамометрическими ключами (болты в Антарае хреновенькие и блок алюминиевый)это если вдруг к гаражникам пойдете.
-
Коаксиальные Фокалы серии Аудитор не советую, плохонький звук по частотному диапазону, у меня уже два года в кладовке лежат серией повыше - Перформанс, ну совсем не понравились, поставил, послушал минут 5 и тут же снял. Есть посерьезнее коаксиалы и даже дешевле. По-прежнему советую 2-х компонентную акустику, твитеры хотя бы в штатные места поставьте, совсем другой результат. Совсем хороший звук строится уже на компонентной 3-х полоске. Задние динамики не нужны.
-
нет, не обязательно. даже сливать не нужно. сливается только антфриз. его тоже можно обратно залить старый через марлю. только потом долить придется литр - два. да, посмотрел, должна смениться на 16 или 17 По знакомству получается тоже нет смысла обращаться по цепям, тоже привезут Китай? Просто есть возможность заказывать запчасти через один магазин. Смысл на Ваше усмотрение. Цепи "по знакомству" можно субъективно оценить на оригинал по виду и упаковке. Ребята уже не первую антару делают а вот это очень хорошо. В инете полно примеров как гаражные "умельцы универсалы" то не читая TIS фомкой крышку ГРМ снимают загибая сигнальные пластины верхних звезд, то проводку рвут, то на зуб промахиваются "да такого не может быть!" и т.д.
-
Просмотрев каждую деталь цепного привода ГРМ и всю систему в целом (в моем случае 80 т.км. пробега) очень посоветую Вам на таком пробеге купить на Амазоне (не в РФ, ебеях и али) комплект cloyes 9-0753s и заменить все что в него входит. Там есть одно предложение с доставкой в РФ от надежного источника. Должен быть не кросс по номеру cloyes 9-0753s (90% предложений от китайцев на ебей), а именно производитель Cloyes. Тянутся все три цепи. Все три натяжителя, даже если не будет задиров на башмаках, в зоне риска износа поршней - плунжеров, забивки форсунок маслоподачи, усталости пружин. Если предыдущий владелец цепи не менял, то менять однозначно, вряд ли Вы первый за всю историю владелец Антары 3.2 с непотянутыми на таком пробеге цепями. ) Поменять для начала датчики местами неплохая идея, если занедорого возьмутся, там всех делов снять правое колесо, поддомкратить двс и открутить 9 болтов правой опоры двигателя. Рублей 500 - 1000 ) А что говорят, если это датчик, какая ошибка высветится вместо 18-ой ? Если планируете менять масло с промывкой, помойте перед заменой цепей, например по схеме - 5 минутку в старое, поработала - сливаем, промывочное масло Лукойл, поработало - сливаем, недорогая синтетика (Лукойл, GM и т.д.), поработала минут 10/30 - оставляем и на нем меняем цепи. Заменили цепи - прокатились 100 - 1000 км и меняем на постоянное масло. Менять цепи на чистом двс чтобы новые натяжители не наелись старых отложений.
-
Поменял таки цепи сам, чему несказанно рад, никакой мастер не вылизал бы так снятые детали как хозяин машины, и не выполнил сопутствующих работ и дефектовок. Ошибки 8 и 17 больше не появляются. кратковременная коррекция на холостых гуляет от 0 до 2.5, под нагрузкой меньше 1. Вернулись и былая мощь (нервная стала ))) ), и то фирменное рычание при разгоне. ) История появления ошибок как мне думается- перескок нижней цепи с задиром натяжителя. В итоге большие коррекции и спад мощности. Минимальный комплект при первой замене на мой взгляд: 1. Цепь 12633452 1шт 2. Цепи 12633452 2шт3. Сальник коленвала 0646 9734. Герметик REIZOISIL 703141410 (на крышку ГРМ)5. Герметик REINZOPLAST 702457120 (на прокладки помпы)И все. Все прокладки выглядели великолепно и не просились на замену.Плюс у меня отдефектован при осмотре (задиры на башмаке) и поменян6. Натяжитель нижнего ремня 12609263 Попутно почистить (хорошенько, раз уж снят вп. коллектор) дроссельную заслонку7. Карбклинер AIM-One AC650 (по тестам второе место после HI GEAR но в 3 раза дешевле)Им же почистить наружную часть форсунок без снятия оных, каналы и газоотводов, аккуратно - впускные каналы.Флакон большой, одного хватит.Проверить свечи.Люфты шкивов оборудования на ремне ГРМЗаменить антифриз и масло.Осмотр лицевой части поршней эндоскопом.Отмыть если нужно крышки ГРМ и клапанные8. Очиститель Kangaroo 3204239. Масло, фильтр, воздушный, антифриз 93170402 5шт, бутыль дистиллята 5л 1 шт. И не дайте разводить себя на большее, просто совет. )Я б за такую работу просил 10тыр. Просто много всего снимать и отмывать/очищать. Цепи меняются и выставляются макс минут за 30.Всем бобра.
-
Перезаказал цепи у другого поставщика в Емекс, только что получил, хорошие вроде ) Голограмма с переворачивающимися GM, мадеинфрансе, оранжевые метки Парадоксально небольшое растяжение старых....
-
Результат дефектовки, может кому интересно, машина 2010г пробег 80т.км, ездил с ошибками наверное год или два ) , тыщ 15 наверное откладывал, симптомы - тяга на низах стала хреноватой, особенно заметно в горку. Вскрыл: - под клапанными и ГРМ крышками чисто, ни капли отложений, сейчас на масле Дексос2 от Лукойл, но масло темновато, сокращаю интервал замены до 7т.км - все три цепи явно растянуты, натяжителя выдвинулись наверное наполовину, а в приводе правого блока почти полностью (жуть, ездил на грани фола....) - все башмаки девственны, без выработки, без задиров - башмачок натяжителя нижней цепи с задирами с одного края, кажется есть небольшой люфт поршня, буду менять, номер 12609263, цена 3900р на сегодня - натяжители левой и правой цепи как новые, без люфтов, маслянные сопла прокачиваются, оставляю - прокладки под натяжители выглядят как новые, но их функция как я понял не только калибровочная, но и герметизирующая подающие масляные подводы (сопла в натяжителях узенькие, требуют давления), меняю все три прокладки полный список позже. п.с. мое мнение по чистоте масла - грязь может легко забить форсунки в натяжителях, натяжение цепей перестанет регулироваться давлением масла, отсюда повышенный износ цепей вплоть до перескока. У кого авто ночует зимой на улице в холоде, наверное имеет смыл заливать на зиму более жидкое масло, Иван вроде писал по 0w30. Добавлю - пластик всех башмаков промаркирован CLOYES. Железо башмаков - GM. Цепи с оранжевыми метками. Шестерни не просятся на замену, верхние девственны, на нижней видны следы контакта с цепью, но значительной выработкой это назвать сложно, зубья имеют правильную форму. На пробеге тыщ 120 я бы наверное поменял и её.
-
Спасибо, вчера уже успел снять ), показалось что там есть какой-то непонятный зацеп крышки за патрубок. Разборка идет медленно но верно, сегодня поиск неоткрученного 22-го болта крепления крышки и сниму цепи. Пока доволен что взялся сам, отдефектовал и заказал обводной ролик. Посмотрим дальше.
-
Парни, еще вопрос, вот этот патрубок антифриза что сверху на картинке нужно снимать? Смотрю на него, вроде не должен он мешать съему крышки ГРМ? http://s017.radikal.ru/i439/1209/be/cf22fdde9e8ct.jpg
-
Тис рулит ) , вкрутил назад нижний болт с обводным роликом чтобы верхние болты не закусывало, опустил вентилятор и подлез нормальной трещеткой 1/2, болты открутилсь. Теперь мозг выносит верхний болт насоса ГУР, но тут ТИС никаких хитростей не подсказывает ))) Указан момент затяжки 28 Н•м, но упирается он гораздо сильнее. )