Перейти к содержанию
Opel Antara Клуб

ибн_похабыч

Почетные Форумчане
  • Постов

    315
  • Зарегистрирован

  • Посещение

  • Победитель дней

    6

Весь контент ибн_похабыч

  1. прокатился на Эксиде, Смешанные ощущения, вроде бы и нормально. Места много, комфортный. Робот работает незаметно. Цена конечно ..., но что сейчас не дорого.
  2. Я сидел в Гранте и что? У меня у инженера уже вторая, Гранта Спорт, может себе позволить и Весту и Поло/Рапид и Рио/Солярис. Смотрит непонимающе- мол накуа па это мне, я с Грантой забот не знаю, под мои задачи выше крыши. Даже в Сочи с женой и ребенком ездит. У каждого свои приоритеты. В Европе, еще в допандемийные времена, взял как-то напрокат Хюндай i20 хэтч, там вообще очень популярны хэтчи на МКПП, таких людей, как в примере выше, там очень много. Так вот он теснее, материалы салона ничем не лучше. Едет себе с движком 1,2 литра и ладно, для этого и создан. Так запросы то разные, кто то нормальной еды в жизни не ел, так он и картошке рад, для кого то отсутствие подогрева руля - существенный минус. Пример с челом который доволен грантой скорей единичный, просто он осознал, что на большее не способен, а раз так - зачем мечтать и хотеть? Это мышление крестьянина. Если все так начнут думать, то мир остановится. Зачем хорошую одежду и обувь делать, и мокасины пойдут, зачем новую еду пробовать и изобретать - предки брюквой и репой питались, зачем в другие страны ездить - и тут красиво, а то, что насрано под кустом, так "чай не химия какая, чай природная среда" (с). А потом в квартире не убираться - зачем, никто же не видит, так и превращаются в быдло. Отсюда и бабы в вечных штанах и кроссовках - удобно же, зачем юбки и каблуки, а потом удивляются, почему рождаемость падает - так без деток удобно же. Человеком движет желание познать лучшее, а иначе: ".....В дом заходишь, как, все равно в кабак. А народишко - каждый третий враг.Воротят скулу - гость непрошенный, Образа в углу и те перекошены. И затеялся смутный, чудной разговор,Кто-то песню стонал да гармошку терзал, И припадошный малый, придурок и вор, Мне тайком из-под скатерти нож показал. Кто ответит мне, что за дом такой?Почему во-тьме, как барак чумной? Свет лампад погас, воздух вылился, Али жить у вас разучилися? Двери настеж у вас, а душа взаперти,Кто хозяином здесь? Напоил бы вином... А в ответ мне: "Видать был ты долго в пути. И людей позабыл, мы всегда так живем. Траву кушаем, век на щавелеСкисли душами, опрыщавели. Да еще вином много тешились Разоряли дом, дрались, вешались." Я коней заморил, от волков ускакал,Укажите мне край, где светло от лампад Укажите мне место, какое искал, Где поют, а не стонут, где пол не покат. О таких домах не слыхали мы,Долго жить в потьмах привыкали мы. Испокону мы в зле да шопоте Под иконами в черной копоти. И из смрада, где косо висят образа,Я башку очертя шел, свободный от пут, Куда кони вели и глядели глаза, И где люди живут, и как люди живут..." В.Высоцкий.
  3. А меня бесят патриоты, которые сидят в говне, жрут гавно, работают за деньги эквивалентные пособию по безработице - но ссутся от восторга когда эта нищая засранная рабская страна угрожает всему миру. Которые видят, что страну тащат в брежневщину, с бесконечным враньем и изоляцией, но такие блять пропутинцы, аж есть не могут. Мир вас не боится - мир вас опасается, как гопников, и жрать вам дают на вилах, как принято в зоопарке.
  4. согласен, всех недовольных накуй из страны. Роиссии надо не казаться дерьмовым болотом, а быть им. а кто недоволен - валите.
  5. Прах к праху. То, что мертво, умереть не может.
  6. так работы там процентов 30, остальное запчасти. так, что прайс ожидаемый
  7. У этих орлов на ютубе ролик про нашу коробку есть. http://master-akpp-spb.ru/index.html#sec3 За Мегой на Дыбенко живут, не знаю как делают.
  8. А где спрашивали? чтобы не повторяться.
  9. О чем писать то?Всё туристические места стали рассадником. Другие места, не популярные, они все местные и про них я лучше промолчу. Природа к нас красивая, только везде, где можно добраться - засрана. Я например на наши моря не поеду, Карелия задолбала, раньше бы в Норвегию рванул, так низзя. Вот и выходит - "Велика россия, а отдыхать некуда" (С) "Политрук Клочков"
  10. А при чем тут армия?! Притом, что в военнике написано - привит 3х валентной вакциной. И прикинь, никто не спрашивал согласия.
  11. Прикольно читать все это. Бухать и жрать мясо на жаре - это безопасно, жариться целыми днями на солнце до состояния "гудрон-батыр"- это отлично, а прививка пинцет как опасно. И пусть в Аргентине в качестве побочки учитывают даже зуд в месте укола или головную боль, и процент этой побочки мизерный - но "Аларм, нам червивое мясо подсовывают", Реально лапотная россия. "Спробуй заячий помёт! Он - ядрёный! Он проймёт! И куды целебней мёду, Хоть по вкусу и не мёд. Он на вкус хотя и крут, И с него, бывает, мрут, Но какие выживают - Те до старости живут!.." Л.Филатов.
  12. Давеча смотрел Чери тиго 8 про - по салону все отлично, по движку 1,6 (186 л/с / 275 Нм) он Антару уделает, полного привода нет - да и хрен с ним, я за последние 3 года с асфальта не съезжал. А если смотреть 7про - то и цена вкусная - 1,8 в максималке. Но чтобы судить надо потрогать. Китайцы молодцы в части создании образа. С техникой на вид тоже нормально. Железо - оцинкованное по кругу. Гарантия от 5 до 7 лет, что еще надо?
  13. У меня обратные наблюдения. Все запутинцы в очередь на вакцинацию спутником стоят, а либерасты на запад смотрят как птенцы из гнезда, и не верят в спутник, и просят астразенеку.А есть еще много умных людей посередине Посередине, в вашем регионе это которые ряженные с лампасами и жестяными крестами? Я тоже не верю в росмедицину, но сказки про опасности от вакцин меня бесят. Средневековье какое то. Тромбозы мля. В головах тромбозы. У меня пара сотрудников ласты склеила от ковида, причем во вполне вменяемом возрасте 45+, мучительно, на ИВЛ, так что каждый сам пусть решает. И да, была бы импортная за деньги, привился бы ей. Но тут похоже за нас все решили.
  14. Привился еще в марте. Сам, потому, что привык пользоваться своими решениями. Ради интереса проверил антитела - 6700, да и хрен с ними. Через 3 месяца ревакцинируюсь. Насрать на антипрививочников. Их выбор - их ответственность. Почему то замечено, что путиноиды боятся прививаться, а проклятые либерасты прививаются. Что для меня говорит об отсутствии мозгов у первых, и наличием у других. Кто в армии служил подтвердит, там не спрашивали. Меня перед Нигерией и Бангладеш таким количеством вакцин накачали, что и не упомнишь. Я видел как болеют малярией или желтой лихорадкой. Только дураки захотят после этого отказаться от прививки.
  15. Попробую сегодня намек на то, что с 2-3 на первую при остановке не сразу перебрасывает?
  16. было такое, соседи решили, что устали от плэнера, и соседями стала таджикская семья, которая решила, что разведение бычков это самое доходное занятие в мире. Вдоль забора стойло, горы дерьма и мух. А запахииииии.
  17. Да на здоровье. "Наука о контактах", и родители ея -законы Ома и Киргофа. Или как говорили латиняне "Ален ноби, ностра алис! Что означает - ежели один человек построил, другой завсегда разобрать может!" (с)
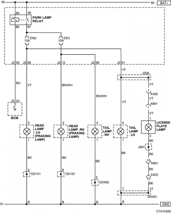
  18. Ну это зависит от уровня знаний и уверенности. Я так не делал. ))) Я бы для начала подал "+" непосредственно в разъем лампы (неважно передней или задней) задней удобней , снимаете задний фонарь и подаете на полярный провод (коричневый с белым) "+", если при этом загорится передний правый габарит - значит дело в обрыве между предохранителем и общей точкой в блоке предов. Если загорится весь автомобиль - сами виноваты, зачем вы слушаете всех подряд.
  19. Если не затруднит, киньте ссылку на схему, которую смотреть, я что-то обрывками собираю, но вот никак в кучу не соберу. Я так понял, что в BCM именно масса замыкается, а "+" всегда подан на разъем лампы? Земля есть. Значит все же не землю замыкает. а вот на "+" 19мВ.... Похоже ВСМ накрылся? http://tis-chevrolet.com/static-tree.php http://tis-chevrolet.com/files/ewd-lhd-c-7c2_5_17.ru.php
  20. а схему глянуть не судьба? Нет у нее предохранителя. Она от шинки заднего хода работает. Если задний парктроник работает, значит масса потерялась. Разъем лампы прозвоните и все станет понятно. Один "масса" второй "+" при включенной задней.
  21. Начните с конца. Вынимаете разъем лампы из фары - один контакт должен быть "масса" второй "+" ( либо в любом случае звониться на предохранитель). Поскольку вся правая сторона не работает, то вероятен обрыв в месте где жгуты объединяются в блоке предохранителей. По схеме видно - J3-12 и J2-39
  22. пробовал ждать - не получается, соседи задолбали оповещениями, что я фары забыл )))) Хорошие они у меня, соседи. Перед этой катавасией мыли подкапотное осенью, а потом зимой начались чудеса - то открытый багажник и капот показывает, то вдруг сигналка начинает дурить, сейчас сигналка перестала показывать открытый капот и двери на брелке, но исправно срабатывает. Самое обидное, что я электрик, и понимаю куда копать - но объем и продолжительность поиска останавливает. )) Электрика на немцах и условных немцах это вечный гемор - сколько мне крови Туарег выпил. С его батареей под водительским сиденьем и бесконечными блокировками. С гниющими проводами под ногами водителя. Хотя по 3 л дизелю и пневме я до сих пор скучаю.
  23. Если есть мультиметр - прозвоните гнездо предохранителя - с одной стороны должна быть масса+сопротивление лампы, с другой стороны колодки должен быть "+", если нет - двигайтесь в сторону реле - схема есть. Там ничего сложного нет. Можно тупо подать на колодку предохранителя "+" если не загорятся - дело в цепи от колодки до ламп. Если загорятся - в реле, либо в управлении релюхой.
  24. в блоке под капотом - 10 А. . В вашем случае PRK LP LH
  25. ох, уел.))))) Тоже считаю, что в нашей машине можно ключи оставлять. Пару раз в Питере ночевала не закрытой. В этой теме постоянно всплывает разряд батареи. У меня вот фары не отключаются, вот это проблема - причем если переключатель в режиме "авто" - горят дальние ( в пол накала, как ДХО) , а в режиме вкл - горят ближние, и даже в режиме "откл" горят - полагаю, с ВСМ "масса" прет, а вот что с этим делать.

×
×
  • Создать...