pr1st2008 Опубликовано 15 апреля, 2017 Жалоба Опубликовано 15 апреля, 2017 Добрый день! Кто-нибудь устанавливал сей девайс?К замку подошел, а там 2 колодки. Нашел положение Off, I , а непосредственно сигнал стартеру не нашел. У нас какой-то замудренный замок зажигания?
Евгений26 Опубликовано 15 апреля, 2017 Жалоба Опубликовано 15 апреля, 2017 Естественно.Если вы думали, что там клеммы 15, 30 и др., как в жигулях, то разочарую.Наш замок не силовой. Вот на примере дорейстала. Хотя, все должно быть одинаковым.http://tis-chevrolet.com/files/ewd-lhd-c-7c2_5_1.ru.php
pr1st2008 Опубликовано 15 апреля, 2017 Автор Жалоба Опубликовано 15 апреля, 2017 Силовой иль нет, не принципиально ведь, сам то замок механический. Может знаете как найти сигнал на непосредственно запуск двигателя. Обе колодки прозвонил и нифига не нашел
Makkenek Опубликовано 15 апреля, 2017 Жалоба Опубликовано 15 апреля, 2017 Стартер управляется не замыканием а размыканием одного из проводов.
Евгений26 Опубликовано 15 апреля, 2017 Жалоба Опубликовано 15 апреля, 2017 Толком не разобрать.А нафига вам эта кнопка?Чип куда прикладывать? Руль без блокировки будет, в родном замке нужно будет выламывать язычек.
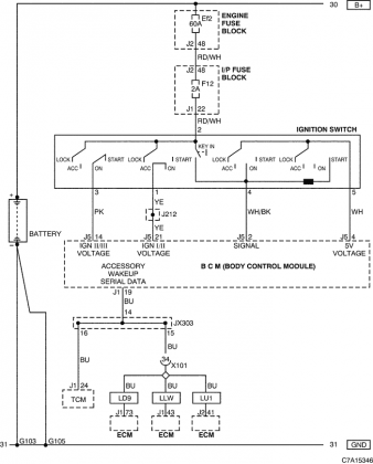
pr1st2008 Опубликовано 15 апреля, 2017 Автор Жалоба Опубликовано 15 апреля, 2017 Ага, я уже смотрю на эту схему минут 20 и пытаюсь въехать в реализацию. Вроде замыканием, но на какой из проводовТолком не разобрать.http://www.antara-club.ru/public/style_images/master/attachicon.gifc7a15346.pngА нафига вам эта кнопка?Чип куда прикладывать? Руль без блокировки будет, в родном замке нужно будет выламывать язычек.Чтобы ключ не носить. Для чипа там своя хрень, дубликат ключа уже есть))
Евгений26 Опубликовано 15 апреля, 2017 Жалоба Опубликовано 15 апреля, 2017 Ну если смотреть на схему замка, а она нарисована как и все в выкл состоянии, то плюс при включении замка будет подаваться из крайнего левого положения в среднее, а в режиме стартер в крайнее правое.Я так это понимаю. Честно говоря, смотря на этот китайские комплект, не пойму принцип работы.Ведь у него там два синеньких брелка со своими чипами...
pr1st2008 Опубликовано 15 апреля, 2017 Автор Жалоба Опубликовано 15 апреля, 2017 (изменено) т.е. красный с черной полосой замыкает белый с черной полосой, судя по схеме. А в реале нифига не пашет. Где-то еще одно условие должно быть для запуска. Или может последовательно должно быть 3 этапа - off - acc - start...Ну если смотреть на схему замка, а она нарисована как и все в выкл состоянии, то плюс при включении замка будет подаваться из крайнего левого положения в среднее, а в режиме стартер в крайнее правое.Я так это понимаю. Честно говоря, смотря на этот китайские комплект, не пойму принцип работы.Ведь у него там два синеньких брелка со своими чипами...В коробке схема с релюшками. Ну да, чипы в комплекте, их нужно прикладывать для разблокировкиВот схема подключения устройства Изменено 15 апреля, 2017 пользователем pr1st2008
Евгений26 Опубликовано 15 апреля, 2017 Жалоба Опубликовано 15 апреля, 2017 Где-то еще одно условие должно быть для запуска. Или может последовательно должно быть 3 этапа - off - acc - start...Этим условием будет считывание транспондером иммобилайзера чипа ключа.Если этого не будет, стартер не сработает, а на приборке будет символ ключа.
pr1st2008 Опубликовано 15 апреля, 2017 Автор Жалоба Опубликовано 15 апреля, 2017 родной ключ был замке, т.е. иммо сработал норм, он не блокировал запуск.вот что нашел=)На разъеме замка зажигания подключаем аксессуары (синий провод модуля запуска) и зажигание (желтый провод модуля запуска). Провод стартера (черно-желтый) на данном автомобиле подключать не нужно. Срабатывание стартера и запуск двигателя происходит после подачи питания сначала на аксессуары, затем на зажигание. Далее, при отключении питания аксессуаров во время подачи питания на выход стартера, происходит запуск двигателя
S@chok Опубликовано 15 апреля, 2017 Жалоба Опубликовано 15 апреля, 2017 Не знаю как у Антары это должно работать, но у Вага там при такой фишке идёт другой стартер и аккумулятор.
AlexPit Опубликовано 15 апреля, 2017 Жалоба Опубликовано 15 апреля, 2017 pr1st2008 -насколько я понимаю падает механическая безопасность, но появляется удобство
Евгений26 Опубликовано 15 апреля, 2017 Жалоба Опубликовано 15 апреля, 2017 Не знаю как у Антары это должно работать, но у Вага там при такой фишке идёт другой стартер и аккумулятор.Это не система стар-стоп.Это всего лишь замена замка зажигания кнопкой.
zloi_kot Опубликовано 15 апреля, 2017 Жалоба Опубликовано 15 апреля, 2017 Остается тока вопрос - дальность действия антенны иммобилайзера, и где класть ключ с чипом. Или же можно сразу объяву на стекло повесит - заходите люди добрые, берите что хотите.
pr1st2008 Опубликовано 15 апреля, 2017 Автор Жалоба Опубликовано 15 апреля, 2017 чип с собой, сел, приложил, запустился.У меня еще стоит дополнительное реле блокировки с привязкой с сиге пандора, так что без снятия с охраны с сиги хрен заведешь
pr1st2008 Опубликовано 17 апреля, 2017 Автор Жалоба Опубликовано 17 апреля, 2017 С зажиганием разобрался, заводится=) Но есть еще 1 вопрос: как найти сигнал с педали тормоза? Дело в том, что для запуска нужно подать +12 на провод устройства и происходит запуск, по инструкции этот провод надо подрубить на лягушку педали тормоза. У нас лягушка непростая, там 5 или 6 проводов, да и вряд ли там будет +12в появляться. Где-нибудь в пороге можно сигнал с педали тормоза выцепить?
S@chok Опубликовано 17 апреля, 2017 Жалоба Опубликовано 17 апреля, 2017 Если не путаю, то там есть напряжение, но не 12 Вольт - http://www.clubcaptiva.ru/RU/Documents_2011/Captiva/SM-C140/92469260.ru.html - это для косоруких.Наше - http://www.clubcaptiva.ru/RU/Documents_2011/Captiva/SM-C140/92470989.ru.html
AlexPit Опубликовано 18 апреля, 2017 Жалоба Опубликовано 18 апреля, 2017 можно зацепить с кабеля ведущего на задние стопы или на фаркоп, думаю они проложены в нише порогов с права
pr1st2008 Опубликовано 27 июля, 2017 Автор Жалоба Опубликовано 27 июля, 2017 Приветствую.Я не знаю как на дорестайле подключать, вроде бы там по-другому организован запуск. И кнопка у вас не такая, как у меня (но подключается, скорее всего также)Вы почитайте как там все организовано и начните подключать, если будут проблемы, то попробуем решить.Обязательно нужен будет обходчик иммобилайзера (я поставил старлайн) и сделайте личинку ключа, чтобы родной ключ не срезать.
фишерманн Опубликовано 14 декабря, 2017 Жалоба Опубликовано 14 декабря, 2017 Тоже давно мечтаю об кнопке. У нас то половина этой функции реализована. Дернул ключ в сторону стартера и отпустил, дальше автоматический пуск работает. Так сказать пол шага до кнопки. Да и вчера вскрывал машину шнуром и пластиковой картой (ключи с сигнализацией лежали на сиденье))))) Запасные тоже в машине )))) Так способ протаскивания и накидывания петли на пимпу-блокиратор двери работает!!!!Ё Заняло все минут 10 из них 8 тренировка.Приветствую.Я не знаю как на дорестайле подключать, вроде бы там по-другому организован запуск. И кнопка у вас не такая, как у меня (но подключается, скорее всего также)Вы почитайте как там все организовано и начните подключать, если будут проблемы, то попробуем решить.Обязательно нужен будет обходчик иммобилайзера (я поставил старлайн) и сделайте личинку ключа, чтобы родной ключ не срезать.Можно пожалуйста поподробнее. Фото, описание установки и т.п.
Elo Опубликовано 3 августа, 2020 Жалоба Опубликовано 3 августа, 2020 Кнопка питания, которая может помочь мне установитьС зажиганием разобрался, заводится=) Но есть еще 1 вопрос: как найти сигнал с педали тормоза? Дело в том, что для запуска нужно подать +12 на провод устройства и происходит запуск, по инструкции этот провод надо подрубить на лягушку педали тормоза. У нас лягушка непростая, там 5 или 6 проводов, да и вряд ли там будет +12в появляться. Где-нибудь в пороге можно сигнал с педали тормоза выцепить?Кнопка питания, которая может помочь мне установить1 12vAcc с желтым ключом2 12 В от красно-белого3 с томатным ключом4 5 В на ключ5 5 В от1 12vAcc s zheltym klyuchom2 12 V ot krasno-belogo3 s tomatnym klyuchom4 5 V na klyuch5 5 V ot
фишерманн Опубликовано 25 октября, 2020 Жалоба Опубликовано 25 октября, 2020 Добрый день. Приобрел наконец эту кнопку...никто не видал где либо схему подключения на дорестайл?
фишерманн Опубликовано 26 октября, 2020 Жалоба Опубликовано 26 октября, 2020 Товарищи! давайте делиться информацией по кнопке. Перерыл весь инет. Много чего есть, но толково представленной информации не нашел, все кусковое, либо ставили в обрезанном виде.И да, схемы дорестайл, рестайл, антара или каптива, всё одно, по крайней мере по тому что встречал. Только цвет фишки может быть зелёным ))). Сегодня подключил. АСС, зажигание заработало. Пока не заводил. В фишке белый провод (постоянно 5В) и белый с черной полосой (начально 0 В) отвечают за запуск ( в тисе), в зажигание ВКЛ и при пуске они замыкаются и на ВСМ....Остался провод подключения стартера и провод тормоза (это для быстрого пуска одним нажатием).Если завершу, то подробный отчёт выложу...
фишерманн Опубликовано 26 октября, 2020 Жалоба Опубликовано 26 октября, 2020 Все сделал. На стартер провод не надо подключать. Без него все работает как надо.
Рекомендуемые сообщения
Для публикации сообщений создайте учётную запись или авторизуйтесь
Вы должны быть пользователем, чтобы оставить комментарий
Создать аккаунт
Зарегистрируйте новый аккаунт в нашем сообществе. Это очень просто!
Регистрация нового пользователяВойти
Уже есть аккаунт? Войти в систему.
Войти