Panchik Опубликовано 16 июля, 2011 Жалоба Опубликовано 16 июля, 2011 Всем доброго!!!Вот купил себе фаркоп Bosal и комплект профодки, сам поставил Вынимаем запаску и весь остальной хлам - ящички пенопластовые джомкратМожно снять боковины но на это уходит много времени поэтому вытаскивал так потихонечкупосле оценки всего прикинул куда и как нужно подключатькарман справак штатным штеккерам проводки задних фонарей подключил проводкуПотом проводку слева аккуратно проложил по заднему поребреку налево и закрепил стяжками на двухстороннем скотче
Panchik Опубликовано 16 июля, 2011 Автор Жалоба Опубликовано 16 июля, 2011 Часть втораяна фото виден оранжевый провод, по инструкции его надо вести до аккумулятора, но я сделал по другомуЯ его подключил к заднему прикуривателю, соответственно отрезал его покороче
Panchik Опубликовано 16 июля, 2011 Автор Жалоба Опубликовано 16 июля, 2011 Теперь установка самого фаркопа, все очень просто, фаркоп изумительно встает в родное место единственное нужно открутить и выбросить крепление для автовозов которое у некоторых стоит и дилер его не снимает, а многие принимают его за крюк буксировочный. Соответственно что бы нормально работать в яме нужно с резинок снять глушитель помоему 4 или 5 резинок и отогнуть его вниз. после установки протягиваем проводку и разводим как написано в инструкции. У меня все получилось с первого раза время потратил примерно 2-3 часа. Сборку хлама осуществляем в обратной последовательности.
Tehnics Опубликовано 17 июля, 2011 Жалоба Опубликовано 17 июля, 2011 А по подробнее про комплект проводов и зачем оранжевый к плюсу?
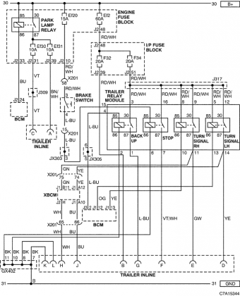
Panchik Опубликовано 17 июля, 2011 Автор Жалоба Опубликовано 17 июля, 2011 А по подробнее про комплект проводов и зачем оранжевый к плюсу?в комплекте проводов идет маленкая коробочка, которая обманывает как я понял компьютер а ей как любому реле нужен +, что бы не проседало напряжение в сети при езде с прицепом.Вот как выглядит электрикаhttp://www.autotp.ru/model/10866
Panchik Опубликовано 17 июля, 2011 Автор Жалоба Опубликовано 17 июля, 2011 А по подробнее про комплект проводов и зачем оранжевый к плюсу? все проводо подключаются к штатным раземам, ничего думать не надо, вся инструкция по подключению и установке фаркопа с рисунками и схемами - ребенок поймет. ничего сложного нет, только все работы надо выполнять вдвоем, потому как держать и прикручивать фаркоп, а также еще и отгибать глушитель - одному рук не хватит
Tehnics Опубликовано 17 июля, 2011 Жалоба Опубликовано 17 июля, 2011 Понятно. Я подумал - что электрика фаркопа подключается на прямую.Похожее устройство согласования прицепа мастерю сейчас. На прямую тоже тоже можно, но не желательно.
melbu Опубликовано 17 июля, 2011 Жалоба Опубликовано 17 июля, 2011 А сколько стоил весь комплект? Я имею ввиду железо+электрика.
Panchik Опубликовано 18 июля, 2011 Автор Жалоба Опубликовано 18 июля, 2011 А сколько стоил весь комплект? Я имею ввиду железо+электрика.6000 электрика 7500 железо
фишерманн Опубликовано 5 сентября, 2012 Жалоба Опубликовано 5 сентября, 2012 Привет весм. Задумался о фаркопе. На фото колодка в ьагажнике это разве не для факопа?Есть у кого опыт подключения? Без волшебной коробочки?
фишерманн Опубликовано 5 сентября, 2012 Жалоба Опубликовано 5 сентября, 2012 Да еще в продолжение. От шкаптивы подходит факоп?
фишерманн Опубликовано 7 сентября, 2012 Жалоба Опубликовано 7 сентября, 2012 Кто ставил в последнее время фаркоп. Поделитесь опытом по электрике...Есть ли колодка для подключения? От шкаптивы подходит? Кто какой ставил?
ALEX96 Опубликовано 7 сентября, 2012 Жалоба Опубликовано 7 сентября, 2012 Кто ставил в последнее время фаркоп. Поделитесь опытом по электрике...Есть ли колодка для подключения? От шкаптивы подходит? Кто какой ставил?в конце лета установил фаркоп "Бозал", ставил сам, ни каких проблем, все отверстия для крепления в кузове есть, а по электрике были небольшие проблемки, дело в том, что на габариты и стоп сигналы на прицеп идёт постоянный плюс (как и положенно), а вот поворотникками управляет минус, пришлось ставить дополнительное реле, чтоб превратить минус в плюс. в багажнике под правым пластиковым карманом есть разьём, подключался от него.
фишерманн Опубликовано 7 сентября, 2012 Жалоба Опубликовано 7 сентября, 2012 в конце лета установил фаркоп "Бозал", ставил сам, ни каких проблем, все отверстия для крепления в кузове есть, а по электрике были небольшие проблемки, дело в том, что на габариты и стоп сигналы на прицеп идёт постоянный плюс (как и положенно), а вот поворотникками управляет минус, пришлось ставить дополнительное реле, чтоб превратить минус в плюс. в багажнике под правым пластиковым карманом есть разьём, подключался от него.Спасибо. А коробочку волшебную ставил или это разводилово?
ALEX96 Опубликовано 9 сентября, 2012 Жалоба Опубликовано 9 сентября, 2012 (изменено) Спасибо. А коробочку волшебную ставил или это разводилово?ни какую волшебную коробочку не ставил, тоже предлагали когда интересовался по поводу установки, она стоит почти как фаркоп. всё сделал своими руками, установил, протянул проводку, подключал только электрик. все работает отлично. Изменено 9 сентября, 2012 пользователем ALEX96
фишерманн Опубликовано 9 сентября, 2012 Жалоба Опубликовано 9 сентября, 2012 ни какую волшебную коробочку не ставил, тоже предлагали когда интересовался по поводу установки, она стоит почти как фаркоп. всё сделал своими руками, установил, протянул проводку, подключал только электрик. все работает отлично.Сенкс. Тож так буду делать.
lexabys Опубликовано 26 ноября, 2012 Жалоба Опубликовано 26 ноября, 2012 электрика у всех фаркопов отдельно продаётся? что ещё необходимо докупать к фаркопу и может марку порекомендуте..
Andrey73 Опубликовано 28 апреля, 2013 Жалоба Опубликовано 28 апреля, 2013 (изменено) Доброго времени суток!!! Мой вариант. ТСУ для OPEL ANTARA (L07) От себя: Ставил сам на яме все отверстия подошли без проблем глушитель не по мешал заняло около часа.С электрикой тоже проблем не было подключился к фаре кинул доп провод к второй фаре под по воротник. Основные характеристикиТип соединения: шаровойДиаметр сцепного шара: 50 ммВертикальная нагрузка на шар: не более 75 кгДопустимая полная масса прицепа: не более 1500 кгКомплект поставки: с электропакетомМасса ТСУ: 14.1 кг Особенности монтажаУтилизация усилителя бампера: нетСверление кузова / лонжеронов: нетДемонтаж бампера: нетВырез бампера: нетОписаниеФаркоп «LEADER»OPEL ANTARA2006 — … г.в.Артикул O108-А (съемный шар тип А)Конструкция фаркопа «Leader» представляет собой разборный вариант, что позволяет экономить место при складировании, транспорти-ровке и облегчает процесс монтажа. Изменено 28 апреля, 2013 пользователем Andrey73
Alekseyka Опубликовано 30 апреля, 2013 Жалоба Опубликовано 30 апреля, 2013 Ставил сам на яме все отверстия подошли без проблем глушитель не по мешал заняло около часа.С электрикой тоже проблем не было подключился к фаре кинул доп провод к второй фаре под по воротник.Добрый день Andrey. Можете поподробнее написать по подключению фаркопа ? Лучше конечно с фото если есть..
Oleg_smv Опубликовано 30 апреля, 2013 Жалоба Опубликовано 30 апреля, 2013 подскажите а если на приборке есть индикатор подключения фаркопа он будет работать или нет
Алексей Тульский Опубликовано 18 апреля, 2014 Жалоба Опубликовано 18 апреля, 2014 Я что то не пойму? У нас есть штатное место для подключения электрики. Особенно на рестайле и городить ничего не нужно.
MaksimA Опубликовано 18 апреля, 2014 Жалоба Опубликовано 18 апреля, 2014 (изменено) Книжку, которая называется "инструкция по эксплуатации" тягово сцепное устройство - страница 171...и потом инструкцию по подключению прицепа, например такую http://www.allfarcops.ru/upload/iblock/784/westfalia-block-ins-300210300107.pdf Изменено 18 апреля, 2014 пользователем MaksimA
welder Опубликовано 20 июня, 2014 Жалоба Опубликовано 20 июня, 2014 Небольшой отзыв:Купил за 4250р. фаркоп фирмы "Трейлер", сделан вполне цивильно, крепеж и электрика в комплекте. Поставил не спеша за час по прилагаемой инструкции. Ничего не мешало при установке, ни глушитель, ни кронштейны. Нужен только накидной и трещотка на 19. Электрику пока не ставил, ибо надеюсь найти тот самый фирменный разъем.
АЛЬБЕРТ02 Опубликовано 5 августа, 2014 Жалоба Опубликовано 5 августа, 2014 Здравствуйте Уважаемые.... может есть у кого информация...ставлю фаркоп на Антару 2008г.....продавцы фаркопов в Москве говорят что блок согласования не нужен.....нужен только на новые а/м.....так ли это??
Алексей Тульский Опубликовано 12 августа, 2014 Жалоба Опубликовано 12 августа, 2014 На счет до рестайла не знаю, но на новую антару блок согласования не нужен
Рекомендуемые сообщения
Для публикации сообщений создайте учётную запись или авторизуйтесь
Вы должны быть пользователем, чтобы оставить комментарий
Создать аккаунт
Зарегистрируйте новый аккаунт в нашем сообществе. Это очень просто!
Регистрация нового пользователяВойти
Уже есть аккаунт? Войти в систему.
Войти